1.将测试线接好后接上主机电源,打开电源,如下图为开始界面:
2.按"确认"进入主菜单,智能型互感器校验仪主菜单界面,如下图:
3.测量对象
(1)测量对象:电流互感器、电压互感器、阻抗、导纳
(2)二次电流:1A、5A
(3)二次电压:100V、100/3V、150V、100/ V
(4)互感器准确度等级:1、0.5、0.2、0.5S(电流互感器)、0.2S(电流互感器)、0.1、0.05、0.02、0.01级。
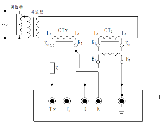
4.测试电流互感器时设置参数
在测电流互感器时,从主菜单里将光标移动到↑、↓、键选择测量电流互感器,按"确认"键就为设置被测互感器的二次电流,如下图:

注意:再按↓、为设置被测互感器的等级,如下图;
光标移动到"开始测量",按"确定"键就可进入测量界面;
注意:参数按被测互感器的铭牌上正确设置。用↑、↓、确定、退出就可完成此设置。然后按"确认"键开始测量,然后将升压器慢慢上升,就可清楚的看到其测量对象、等级、精度及其相关信息均有显示。百分表、比差及角差采用大字体显示,便于观察。到了此界面就可看出它的误差是否在精度范围内。如下图:
5.到此界面就可以存储分别先按"2"再按"确认"就可以存储了。如下图;
6.此界面下就可以打印。分别先按"1"再按"确认"就可以打印了。如下图;
7.如需查看存储数据就按"退出"键到主菜单用↑、↓、键移到"数据中心",再按"确定"键就可查看数据了。如下图;
8.测试完成后先将升压器慢慢调回零位,再将智能型互感器校验仪按"复位"键退回到开始界面,关掉主机电源,断开调压器输入电源。拆下测试线放回仪器内,方便下次使用。
电压互感器的测量、阻抗测量和导纳测量方法同电流互感器的测量方法一致。
用户可以参照电流互感器测试方法接线测量。
测试前,请先阅读相关接线图,并由有资质的专业人员接线操作。
如有不清楚,请先电话联系厂家,问清后再操作。



注意:在做PT时,一次测大X必须可靠接地!


注意:测量阻抗时务必等调压器回零后再变换负载值.否则将危及智能型互感器校验仪及设备安全

注意:测量阻抗时务必等调压器回零后再变换负载值.否则将危及智能型互感器校验仪及设备安全。
互感器误差数据管理系统的主要任务是以互感器基本数据为线索,按《国家计量检定规程》对互感器进行检定、打印、查询统计、计划报表等进行管理。
(1)互感器按《国家计量检定规程》进行检定管理;
(2)试数据可以通过人工录入,也可调用本公司一体化校验装置的测试数据,实现互感器校验、管理一体化;
(3)实现控制校验仪及台体自动完成互感器的测量;
(4)能够打印规程所要求的所有记录及证书、结果通知书及各种计划报表;
(5)丰富的统计查询功能,包括统计和查询在某一时间段内所检定的设备情况,统计和查询某检定人员在某一时间段内所完成的工作量及检定情况;
(1)按满足用户需要设计的数据库备份和恢复功能;
(2)完整的系统使用教程和在线联机帮助,方便用户使用。
打印界面如图

1.测试前,请先阅读相关接线图,并由有资质的专业人员接线操作。
2.如有不清楚,请先电话联系厂家,问清后再操作。
3.在接线或拆线前,必须确定校验仪关机,整机电源断电,操作箱断电;
4.开机前请仔细检查,确认接线无误,接线牢靠,地线连接;
5.在进行电流互感器试验时,请注意二次不能开路,包括不能随意切换电流负载箱的档位;
6.电压互感器试验时,请注意二次不能短路。要求必须严格按接线图接线,并可靠接地同时应围起试验场地,保留足够安全距离,防止他人误入,发生事故;
7.做电流互感器试验时,必须按铭牌要求使用规定档位和选用规定的大电流导线和专用测试线;
8.操作本装置的必须是专业(或经过有效培训)人员,严禁非专业人员操作本装置;
9.请勿擅自打开本装置的任何部分否则将不能得到有效包修服务,同时也可能发生危险;
10.装置保养清洁时,请使用柔软干净棉布擦净即可;
11.智能型互感器校验仪轻拿轻放,避免雨淋或阳光长时间照射。