DBJF-H 局部放电测试仪
耐压测试仪DBNY-S 高压耐压测试仪
数字分压器YDJ 油浸式试验变压器
YDQ 充气式试验变压器
GTB 干式试验变压器
注:按容量需求定制!
SFQ 三倍频发生器
SFQ-H 多倍频发生器
SFQ 三倍频感应发生器
XC-H 工频耐压控制箱
XC 试验变压器控制箱
TC-H 试验变压器专用控制台
TC 试验变压器控制台
DAXZ 电缆耐压试验装置
DAXZ 发电机耐压试验装置
DAXZ 变电站电气设备耐压装置
DBDJ 电机耐压试验装置
DCBZ-T 变压器综合测试台
变压器绕组变形测试仪DCBX-H 变压器绕组变形测试仪
DCBX-S 变压器绕组变形测试仪
DCZZ-1A
DCZZ-10A
DCZZ-3A
DCZZ-50A
DCZZ-5A
DCZZ-100A
DCZZ-S10A 三回路直流电阻仪
DCZZ-S20A 三通道直流电阻仪
DCBYC-S 变压器有载开关测试仪
DCBYC-H 变压器有载开关测试仪
DCBS-S 损耗参数测试仪
DCBS-SI 空载及负载特性测试仪
DCRS-H 容量及损耗参数测试仪
DCRS-HI 容量及损耗参数测试仪
DCBC-H 变压器变比测试仪
DCBC-S 变压器变比组别测试仪
DCJS-S 抗干扰介损测试仪
DCJS-H 异频介损测试仪
DCJS-T 异频介损自动测试仪
80S 绝缘油介电强度测试仪
单杯 绝缘油介电强度测试仪
三杯 绝缘油介电强度测试仪
六杯 绝缘油介电强度测试仪
DGK-S 高压开关动特性测试仪
DGK-H 高压开关动特性测试仪
DGK-T 石墨开关特性测试仪
100A回路电阻测试仪-可调
100A回路电阻测试仪-打印
100A回路电阻测试仪
200A回路电阻测试仪
200A回路电阻测试仪-打印
DAS-500A断路器安秒测试仪
DAS-1000A断路器安秒测试仪
DZK-H 真空开关真空度测试仪
开关漏电保护装置测试仪DLB-S 漏电保护器测试仪
DEWJB 六相微机继电保护测试仪
DEWJB 三相微机继电保护测试仪
DEWJB 三相继电保护测试仪
DEWJB-3S 微机继电保护测试仪
DEJB-H 全自动继电保护测试仪
DEJB-S 继电保护测试仪
DERJ-H 三相热继电器测试仪
瓦斯继电器校验仪DEWJ-H 瓦斯继电器校验仪
SMG2000B 数字双钳相位伏安表
SMG2000E 数字双钳相位伏安表
SMG3000 三相相位伏安表
SMG3001 三相相位伏安表
DFDL-S 电缆故障测试仪
DFDL-SI 高压电缆故障测试仪
DFDL-H 二次脉冲电缆故障测试仪
DFDL-T 多次脉冲电缆故障测试仪
DFCZ-H 电缆安全刺扎器
DFGX-H 地下管线探测仪
DFXL-S 输电线路故障距离测试仪
DFXL-H 输电线路工频参数测试仪
DFXL-T 输电线路异频参数测试仪
DGDN-T 三相电能表检验装置
电能表现场校验仪(综合) 用电检查仪(相角、频率、功率)DGDZ-S 手持式电能质量分析仪
DGDZ-H 便携式电能质量分析仪
DGDY-H 单相程控测试电源
DGDY-3H 三相程控测试电源
DGCY-H 交流采样变送器校验装置
DGJZ-H 交直流指示仪表校验装置
DGGZ-T 互感器检定装置
互感器综合测试仪DGFA-T 变频互感器测试仪
DGFA-102 CT伏安特性测试仪
DGCT-T CT参数分析仪
DGCT-S 互感器变比极性测试仪
DGQL-H 电流互感器校验仪
DGQY-H 电压互感器校验仪
DGYF-H 二次压降及负荷测试仪
互感器负荷箱DHYB-T 氧化锌避雷器带电测试仪
DHYB-HI 氧化锌避雷器在线测试仪
DHYB-H 氧化锌避雷器特性测试仪
DHYB-S 氧化锌避雷器参数测试仪
DHFD-H 避雷器放电计数器测试仪
DHFD-S 雷击计数器校验仪
DHYM-H 盐密测试仪
DHHM-H 灰密测试仪
DHJY-T 绝缘子故障测试仪
DHJY-H 绝缘子分布电压测试仪
DHJY-S 绝缘子零值测试仪
DIDW-5A地网接地电阻测试仪
DIDW-3A地网接地电阻测试仪
DMG267(0~2)数字兆欧表
DMG267(0~2)F 智能兆欧表
DMG2670 高压兆欧表
DMG2671 数字兆欧表
DMG2672 电子兆欧表
DMG2670F 数字兆欧表
DMG2671F 电子指针数字兆欧表
DMG2672F 数字兆欧表
DC2010 绝缘电阻测试仪- 智能
DC2000 绝缘电阻测试仪- 吸收比
DC2403 绝缘电阻测试仪
DC2500 指针式绝缘电阻测试仪
DC2533 高压绝缘电阻表
SC-2000B 直流接地故障测试仪
DIDT-10A 接地引下线导通测试仪
GM-5kv 可调高压数字兆欧表
GM-10kv可调高压数字兆欧表
GM-15kv可调高压数字兆欧表
GM-20kv可调高压数字兆欧表
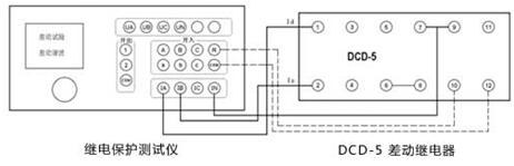
继电保护装置及差动继电器校验方法,鼎升电力技术《继电保护装置及差动继电器校验方法》、六相微机继电保护测试仪使用方法及差动继电器校验方法,继电保护装置及差动继电器校验方法来自于鼎升电力检测试验技术,鼎升电力致立研发标准、稳定、安全的电力试验设备。
鼎升电力是六相微机继电保护测试仪相关产品及技术的制造厂家,如您遇到相关问题,可拨打027-87875698咨询!
继电保护装置是由一个或多个保护元件,逻辑元件按要求组装而成,又根据每个元件的功能特征,完成电力系统中特定对象的保护功能的实现装置,继电保护装置主要作用是能反应电气设备的故障和不正常工作状态并自动迅速的将故障设备从整套系统中切除,保证正常设备继续运行,有效减少事故损失的广度,所以电力系统中,对继电保护装置必须满足选择性,速动性,灵敏性和可靠性,
1、直流助磁特性的测量
在差动试验中,制动电流 Izd 设定为直流电流,逐次改变 Izd 值,在每一助磁电流时加减动作电流 Idz(可用自动试验方式),测出动作电流IDZ,绘制制动特性曲线。
2、比率制动特性的测量
制动电流 Izd 设定为基波电流,逐次改变 Izd 值,在每一制动电流时加减动作电流 Idz,测出动作电流IDZ,绘制制动特性曲线。
注意:若是DCD—2(A)型差动继电器,其试验接线如下:

IA-- 7,IB--9,IN--1,开入A--10,开入公共端+COM--12,继电器的3和5,6和8分别短接即可。
3、二次谐波制动特性的测量
制动电流Izd 设定为二次谐波电流,逐次改变 Izd 值,在每一制动电流时加减动作电流 Idz,测出动作电流IDZ,绘制二次谐波制动特性曲线。
4、高次谐波制动特性的测量
在差动谐波试验中,制动电流 Izd 设定为各次谐波叠加电流,逐次改变 Izd 的某次谐波值,测出动作电流IDZ。
2239963269